Two-Axis Tilt Stage
Structure Specifications
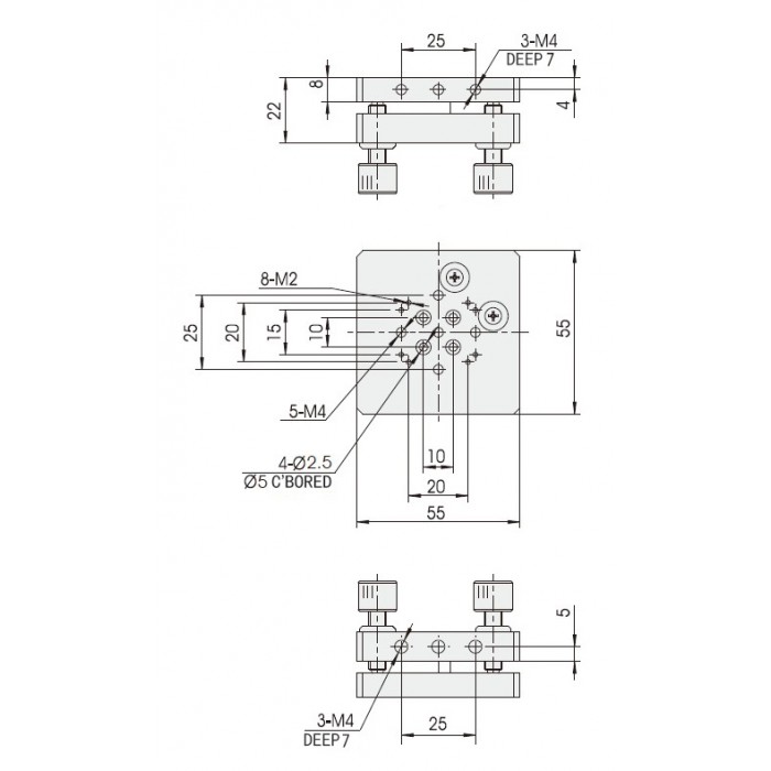
Item Number: SD06QM5
Platform: 46mm × 46mm (1.81" x 1.81")
Tilt Range:
• ±5° in θx Adjustment
• ±5° in θy Adjustment
Sensitivity (Standard Screws): 5’
Drive Mechanism: Fine Adjustments Screws
Max Load Capacity: 0.5kg (1.10lbs)
Weight: 0.1kg (0.22lbs)
Material: Aluminum Alloy
Finish: Black-Anodized
Manual Tilt Stage SD06QM5
- Product Code: SD06QM5
- Availability: In Stock
-
$33.00

