Two-Axis Tilt Stage
Structure Specifications
Item Number: SD05QM5
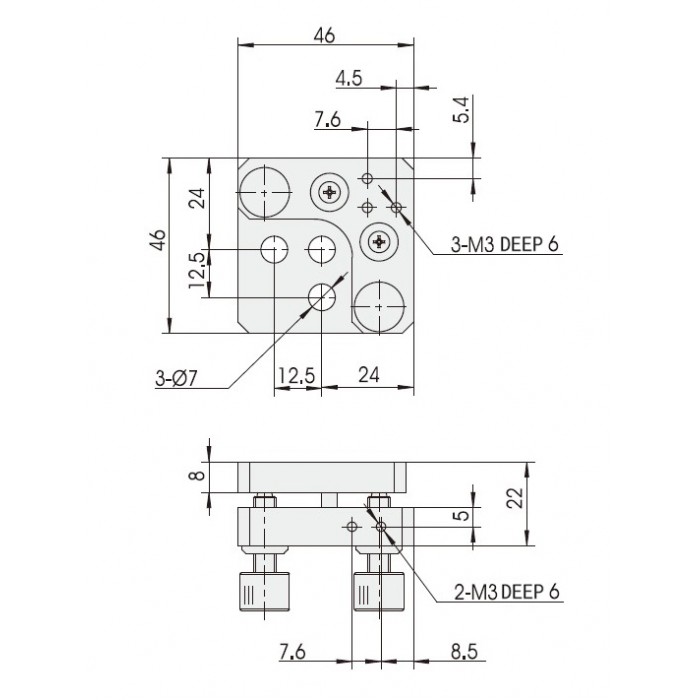
Platform: 55mm × 55mm (2.17" x 2.17")
Tilt Range:
• ±5° in θx Adjustment
• ±5° in θy Adjustment
Sensitivity (Standard Screws): 5’
Drive Mechanism: Fine Adjustment Screws
Max Load Capacity: 0.5kg (1.10lbs)
Weight: 0.15kg (0.33lbs)
Material: Aluminum Alloy
Finish: Black-Anodized
Manual Tilt Stage SD05QM5
- Product Code: SD05QM5
- Availability: In Stock
-
$33.00

