360° Continuous Rotation Stage
Specifications
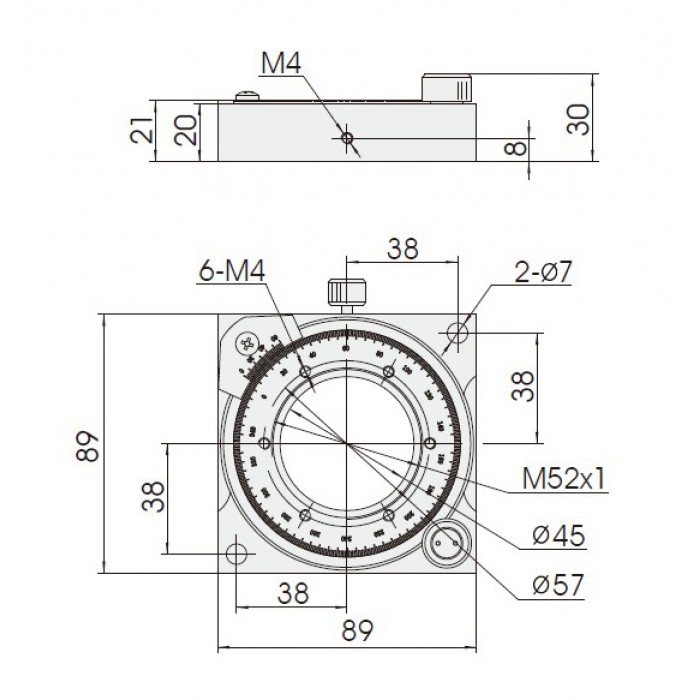
Item Number: SD06RM90
Platform: Ø90mm (Ø3.51")
Adjustment:
• 360° Continuous Motion
• Radial Scale with Marking Every 1°
Clear Aperture: M52x1.0, Ø29 mm (Ø2") of Mirror Available
Actuator Type: Friction Transmission
Max Load Capacity (Horizontal): 0.5.0kg (1.10lbs)
Max Load Capacity (Vertical): 0.5kg (1.10lbs)
Weight: 0.35kg (0.77lb)
Material: Aluminum Alloy
Finish: Black-Anodized
Manual Rotation Stage SD06RM90
- Product Code: SD06RM90
- Availability: In Stock
-
$80.00


